• 图片1
  • 图片2
  • 图片3
联系我们购买喷砂机

地址:昆山市玉山镇万步路221号

电话:0512-57902365

手机:15751699990

Q Q:点击这里给我发消息

邮箱:nt-yws@foxmail.com

网址:www.nt-yws.com

产品展示

您现在的位置:线性模组 >线性模组TL-B14C

线性模组TL-B14C

线性模组TL-B14C

产品特点:
1. 产品体积小,重量轻,便于安装及维护;
2. 高刚性、高精度、高速度、高负载、高推力、可靠性强;
3. 设计独特、防磨性高、寿命长;
4. 采用不锈钢带防尘结构,防尘防溅;
5.从小型到大型,产品类型丰富,可支持各类用途。

伺服:

步进:

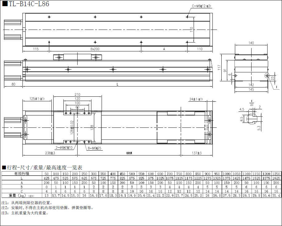
伺服:产品外形尺寸

伺服:大功率尺寸图 

步进:产品外形尺寸

更新时间:2016-03-17 12:26:50 [上一页:线性模组TL-B16C][下一页:线性模组TL-B12C][返回